Artikelnummer: A-0921
Bosch Schaltbilder und Schaltpläne, Elektrischer Schaltplan für verschiedene KFZ
- Zustand:
- Neuware
- Abmessungen:
- Din A5
- Seiten:
- 62 Seiten
- Sprache:
- Deutsch
Beschreibung
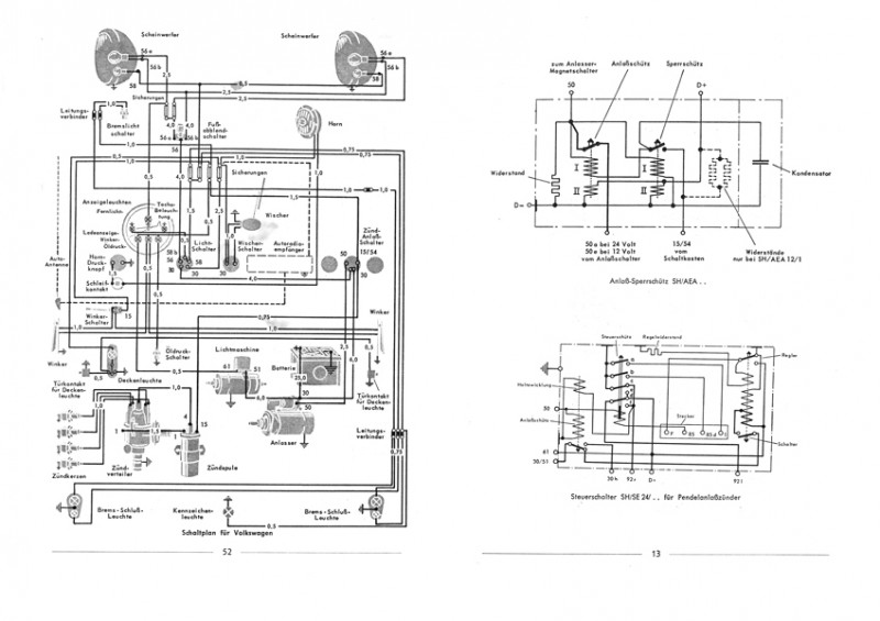
Schaltbilder und Schaltpläne von elek. Kraftfahrzeuganlagen der Firma Bosch: z.B: Borgward Isabella, DKW-Sonderklasse, Ford Taunus, Goliath GP, Lloyd 400/600 sowie Schlepper- und Motorradschaltpläne und Klemmenbezeichnungspläne für Modelle ca. 1950-1960.
Sie bekommen ein gebundenes Buch bzw. eine Broschüre in guter Qualität per Post zugeschickt.
Keine PDF, keine CD und keine lose Blattsammlung!


